High-quality ASME B16.5 Reducing Flanges manufactured and exported in carbon, stainless, alloy, and nickel alloys. Sizes range from ½” to 24” with pressure classes 150–2500. Shipped globally including Canada, Saudi Arabia, Singapore, and Italy.

ASME B16.5 Reducing Flanges Exporter

Best Export Prices: sales@midlandforgefittings.com

Midland Forge and Fittings Pvt. Ltd, stands as a premier Manufacturer and Exporter of top-quality industrial reducing flanges. With extensive experience in the piping and engineering sector, we have established a strong reputation for reliability, precision, and compliance with international standards. we combine modern manufacturing processes with strict quality control measures to deliver products that meet the most demanding industrial requirements.

As a trusted industry partner, We specializes in reduing flanges made from carbon steel, stainless steel, alloy steel, and high nickel alloys.  Our focus on quality, efficiency, and on-time delivery has earned us long-term partnerships with clients across the globe.

A Reducing Flange is a specialized type of flange used to connect pipes of different diameters while maintaining a secure, leak-proof joint. Unlike standard flanges, reducing flanges allow a smooth transition from a larger pipe to a smaller one, ensuring efficient flow and minimal pressure drop. They are commonly manufactured in a range of materials, including carbon steel, stainless steel, alloy steel, and high nickel alloys, to suit various industrial applications.

Reducing Flanges are widely used in industries such as oil & gas, petrochemical plants, power generation, water treatment, and industrial piping systems. They provide a reliable connection for high-pressure and high-temperature pipelines, reduce turbulence, and ensure long-lasting performance. Available in sizes from ½” to 24” and pressure classes from 150# to 2500#, these flanges are an essential component in critical piping networks worldwide.

ASME B16.5 Reducer Flange

Reducing Pipe Flange Specifications

Size Range

15mm ( 1/2" NPS ) up to 600mm ( 24" NPS ), For 2500# in sizes from NPS 1/2 to NPS 12

Pressure Rating - Class

150 LBS, 300 LBS, 600 LBS, 900 LBS, 1500 LBS, 2500 LBS

Marking

Grade / Material, Size (NPS or DN), Pressure Class (PN), Heat No, Standard, Manufacturer’s Name or Trademark

Face Type / Flange Connection Type

Flat Face (FF), Raise Face (RF), Ring Joint (RJT), Tongue and Groove (T&G), Male and Female (M&F)

Flange Form

Reducing

Manufacturing Standards

ASTM (A105, A182, A350, A694, B564), ASME/ANSI, MSS-SP-44, API 6A.

Materials

Stainless Steel, Carbon Steel, Alloy Steel, Duplex Steel, Super Duplex, Nickel, Inconel, Incoloy, Hastelloy, Monel, Alloy 20, 254 SMO, Copper Nickel, Titanium.

Test Certificates

EN 10204/3.1B, Raw Materials Certificate, 100% Radiography Test Report, Third Party Inspection Report, etc

Dimensional Standards

ANSI B16.5, ANSI B16.47, ANSI B16.36, ANSI B16.48, BS 4504, EN1092, UNI 2277/2278, DIN, JIS, SABS1123, GOST-12820

Testing

Direct-reading Spectrograph, Hydrostatic testing machine, X-ray detector, UI trasonic flaw detector, Magnetic particle detector

Flange Coating/Surface Treatment

Anti-rust Paint, Oil Black Paint, Yellow Transparent, Zinc Plated, Cold and Hot Dip Galvanized

Production technique

Forged, Heat treated and machined
ASME B16.47, MSS SP - 44

Reducing Flange – Materials, Grades & Standards

Material Category Standards / Grades (ASTM / ASME) Pressure Class / Size Range Typical Use / Application
Stainless Steel ASTM A182 F304 / F304L / F304H Class 150 – 2500, Size ½”–48” General purpose, corrosion-resistant piping
ASTM A182 F316 / F316L / F316H Class 150 – 2500, Size ½”–48” Chemical, marine, food & pharma industries
ASTM A182 F321 / F321H Class 150 – 1500, Size ½”–24” High temperature, stabilized service
Carbon Steel ASTM A105 (Forged CS) Class 150 – 2500, Size ½”–48” Pressure piping, oil & gas, general industries
ASTM A350 LF2 (Low Temp CS) Class 150 – 1500, Size ½”–24” Cryogenic & low temperature applications
Alloy Steel ASTM A182 F11 / F22 (Cr-Mo) Class 150 – 2500, Size ½”–24” Power plants, refineries, steam pipelines
ASTM A182 F91 Class 150 – 2500, Size ½”–24” High-temperature, power generation
Duplex / Super Duplex ASTM A182 F51 / F53 / F55 / F60 (UNS S31803 / S32205 / S32750 / S32760) Class 150 – 2500, Size ½”–24” Offshore, seawater, high corrosion service
Nickel Alloys ASTM B564 Inconel 600 / 625 / 718 Class 150 – 2500, Size ½”–24” Heat exchangers, chemical, aerospace
ASTM B564 Monel 400 / K500 Class 150 – 2500, Size ½”–24” Marine, seawater handling, pumps
Copper Nickel ASTM B151 / B467 (Cu-Ni 90/10, 70/30) Class 150 – 600, Size ½”–24” Shipbuilding, desalination, seawater systems
Titanium ASTM B381 Gr. 2 / Gr. 5 Class 150 – 600, Size ½”–12” Aerospace, seawater, lightweight piping
Aluminium ASTM B247 6061 / 5083 Class 150 – 300, Size ½”–12” Lightweight, non-corrosive, low-pressure piping

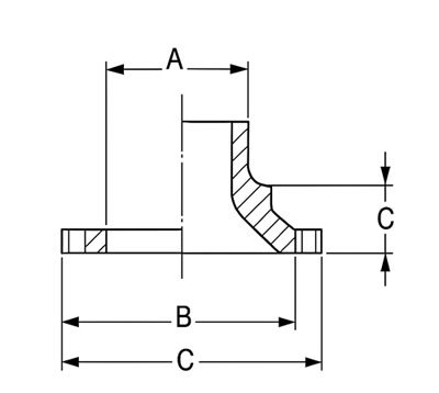
ANSI/ASME B16.5 Class 150 Reducing Flange – Dimensions & Sizes in mm

Dimensions of ANSI/ASME B16.5 Reducing Flanges
NPS DIAMETER THICKNESS DIA. WELDING MIN. MIN. MIN. NECK WELDING JOINT
DN O T A B C D E F G H
1/2 5.25 1.19 1.38 0.88 .90 0.93 2.88 1.56 1.56
15 133 30.5 34.9 22.2 22.9 23.5 73.0 40 40
3/4 5.50 1.25 1.69 1.09 1.11 1.14 3.12 1.69 1.69
20 140 32.0 42.9 27.8 28.2 29.0 79.4 43 43
1 6.25 1.38 2.00 1.36 1.38 1.41 3.50 1.88 1.88
25 159 35.0 50.8 34.5 34.9 36.0 88.9 48 48
1 1/4 7.25 1.50 2.50 1.70 1.72 1.75 3.75 2.06 2.06
32 184 38.5 63.5 43.3 43.7 44.5 95.2 52 52
1 1/2 8.00 1.75 2.88 1.95 1.97 1.99 4.38 2.38 2.38
40 203 44.5 73.0 49.6 50.0 50.5 111.4 60 60
2 9.25 2.00 3.62 To be 2.44 2.46 2.50 5.00 2.75 2.75
50 235 51.0 92.1 61.9 62.5 63.5 127.0 70 70
2 1/2 10.50 2.25 4.12 specified 2.94 2.97 3.00 5.62 3.12 3.12
65 267 57.5 104.8 74.6 75.4 76 142.9 79 79
3 12.00 2.62 5.00 by 3.57 3.60 3.63 6.62 3.62 3.62
80 305 67.0 127.0 90.7 91.4 92 168.2 92 92
4 14.00 3.00 6.19 purchaser 4.57 4.60 4.63 7.50 4.25 4.25
100 356 76.5 157.2 116.1 116.8 118 190.5 108 108
5 16.50 3.62 7.31 5.66 5.69 5.69 9.00 5.12 5.12
125 419 92.5 185.7 143.7 144.5 145 228.6 130 130
6 19.00 4.25 8.50 6.72 6.75 6.75 10.75 6.0 6.0
150 483 108.0 215.9 170.7 171.4 171 273.0 152 152
8 21.75 5.00 10.62 8.72 8.75 8.75 12.50 7.0 7.0
200 552 127.0 269.9 221.5 222.2 222 317.5 178 178
10 26.50 6.50 12.75 10.88 10.92 10.88 16.50 9.0 9.0
250 675 165.5 323.8 276.2 277.4 276 419.4 229 229
12 30.00 7.25 15.00 12.88 12.92 12.94 18.25 10.0 10.0
300 760 184.5 381.0 327.0 328.2 329 463.6 254 254

Reducing Piping Flange Weight Chart (lbs) – Pressure Class 150 to 2500

Nominal Pipe Size (Large Bore × Small Bore) Class 150 (lbs) Class 300 (lbs) Class 600 (lbs) Class 900 (lbs) Class 1500 (lbs) Class 2500 (lbs)
2″ × 1″ 9 14 21 28 36 55
3″ × 2″ 16 25 40 55 78 110
4″ × 2″ 22 34 55 75 105 150
6″ × 4″ 38 58 95 135 190 280
8″ × 6″ 61 92 155 220 315 470
10″ × 8″ 95 145 240 345 500 740
12″ × 10″ 135 210 355 510 740 1100
14″ × 12″ 170 265 455 670 960 1450
16″ × 14″ 210 325 560 830 1200 1800
18″ × 16″ 260 400 695 1025 1500 2250
20″ × 18″ 320 480 830 1220 1780 2680
24″ × 20″ 420 640 1100 1600 2350 3550

Reducing Flange Tolerances as per ANSI / ASME B16.5, 16.47

Parameter Tolerance
Outside Diameter of Flange (D) ± 1.5 mm (for sizes ≤ 24″) / ± 3.0 mm (for sizes > 24″)
Bolt Circle Diameter (K) ± 1.5 mm
Bolt Hole Diameter (L) +1.5 mm / 0
Bolt Hole Spacing ± 1.0 mm
Flange Thickness (B) ± 1.5 mm (for thickness ≤ 25 mm) / ± 2.0 mm (for thickness > 25 mm)
Raised Face Diameter (G) ± 1.5 mm
Hub Diameter at Base (A) ± 1.5 mm
Bore Diameter (ID) +1.0 mm / 0
Concentricity of Bore to OD ≤ 1.5 mm
Facing Runout (Raised Face/RTJ) 0.5 mm max for ≤ 24″ / 1.0 mm max for > 24″
Straightness of Hub 0.5 mm max per 25 mm length
Bolt Hole Alignment (Rotational) ± 0.8 mm at bolt circle
Spot Facing / Back Facing Depth +1.5 mm / 0
What is a Reducing Flange?

A Reducing Flange is a type of flange that allows the connection of pipes with different diameters while maintaining a secure and leak-proof joint. Instead of using separate reducers and flanges, a reducing flange combines both functions into one component.

Key Points:

  • Connects a larger pipe to a smaller one.
  • Available in standards like ASME B16.5 and ASME B16.47.
  • Manufactured in materials such as carbon steel, stainless steel, alloy steel, and high nickel alloys.
  • Designed to handle pressure classes 150# to 2500#.

This makes reducing flanges highly efficient, cost-effective, and widely used in critical piping systems.

Reducing flanges offer several benefits compared to using separate reducers and flanges.

  • Space-Saving Design: Combines reducer and flange into one, saving installation space.
  • Leak-Proof Connection: Provides a tighter seal compared to using two components.
  • Cost-Effective: Reduces the need for additional fittings, lowering material and labor costs.
  • Durability: Designed for high pressure and temperature applications.
  • Versatility: Suitable for different industries due to availability in multiple materials and standards.
  • Easy Installation: Simplifies assembly and reduces welding requirements.

Choosing the correct reducing flange depends on several factors:

  1. Pipe Size & Reduction Ratio – Match the large and small bore sizes accurately.
  2. Pressure Class – Ensure the flange can handle the operating pressure.
  3. Material Selection – Choose based on fluid type (e.g., stainless steel for corrosive media).
  4. Temperature Range – Verify the material’s resistance to high or low temperatures.
  5. Industry Standards – Always check compatibility with ASME, ANSI, or other required codes.
  6. End Connection Type – Raised Face (RF), RTJ, or Flat Face depending on gasket use.
United Arab Emirates (UAE), Saudi Arabia, Oman, Qatar, Kuwait, Bahrain, Iraq, Jordan, Lebanon, Yemen, Iran, Israel, Germany, United Kingdom (UK), Italy, France, Spain, Netherlands, Myanmar, Singapore, Malaysia, Indonesia, Vietnam, South Korea, Philippines, Thailand, Bangladesh, Sri Lanka, Papua New Guinea, United States (USA), Canada, Brazil, Chile, Argentina, Colombia, Russia, Ukraine, Kazakhstan, Poland, Egypt, Algeria, Morocco, Tunisia, Libya, Nigeria, Ghana, Ivory Coast, Senegal, Cameroon, Gabon, Democratic Republic of Congo, Kenya, Tanzania, Uganda, Ethiopia, Rwanda, Zambia, South Africa, Mozambique, Namibia, Botswana